Mikatec

>

DÉMARREUR ET SES COMPOSANTS

>

Solénoide démarreur

>

Solénoide compatible pour démarreur VALEO D6RA572

Solénoide compatible pour démarreur VALEO D6RA572

Référence : CAO135390-591844

Article en stock sous 7 à 10 jours

3026TTC
Entreprise basée en France

Entreprise
française

Moyens de paiement 100% sécurisés

Paiement
100% sécurisé

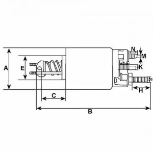
Infos techniques

Voltage
12
DE mm
54,00
N° trous de fixation
3
N° bornes
3
Marque
Marque compatible

Information Physique

B - Longueur totale mm
80.50

Capot

G - B+
M8
H - Hauteur/B+
16.00
Borne 50/mm
M5
M - Boulon de la bobine
M8
N - Boulon de la bobine l.
11.00

Information Catalogues

Remarques
Capuchon: Marque compatible 132034.

 

Conformité et qualité garanties !

Pour tout achat de machine et de pièces détachées possédant votre référence d'origine, Mikatec vous propose un échange ou le remboursement de votre commande en cas d'insatisfaction !

Pour cela, complétez le formulaire de retour et renvoyez-le nous avec le produit commandé.

 

Comment remplacer le solénoide de mon démarreur VALEO D6RA572 ?

L'astuce de pro !

- Prenez des photos avant et pendant toute l'opération de démontage ;

- Connectez une pile de 9V aux connectiques de la batterie, afin de ne pas perdre les paramètres de programmation de votre véhicule.

 

1. Débranchez la borne négative de la batterie, puis la borne positive, afin de travailler en sécurité ;

2. Débranchez les câbles d'alimentation de votre démarreur ;

3. Déposez le démarreur du véhicule, en retirant les vis de fixation ;

Débrancher la borne négative puis la positive de la batterie
Débrancher la borne négative puis la positive de la batterie
Débrancher l'alimentation et connecteur du démarreur
Débrancher l'alimentation et connecteur du démarreur
Retirer le démarreur du bloc moteur
Retirer le démarreur du bloc moteur

4. Ôtez les deux vis de fixation du solénoide ;

5. Ôtez le solénoïde du démarreur, puis remplacez-le par le solénoide neuf ;

6. Procédez au remontage du démarreur (dans le sens inverse).

 

Les clients ont également acheté ...

Avis clients

Chez Mikatec les avis sont fiables et font suite à un achat. En savoir plus.

A

Acheteur vérifié

 
avis laissé ledu 04/05/2021
désolé de pouvoir donner mon avis sur cet article puisqu'il est arrivé détérioré! capot intérieur écrasé.

Avis soumis à un contrôle

Pour vous garantir leur fiabilité, nos avis sont exclusivement sollicités auprès de clients ayant achetés des produits sur notre boutique. Aucune contrepartie n'a été fournie en échange des avis. Les avis sont publiés et conservés sans limitation de temps. Si un client souhaite modifier son avis, il peut prendre contact avec la Société des Avis Garantis, notre tiers de confiance. Pour plus d'informations, notamment sur les caractéristiques du contrôle des avis et les motifs de suppression des avis, merci de consulter le site de laSociété des Avis Garantis.