Mikatec

>

DÉMARREUR ET SES COMPOSANTS

>

Solénoide démarreur

>

Solénoide compatible pour démarreur BOSCH 0001360012

Solénoide compatible pour démarreur BOSCH 0001360012

Référence : CAO132361-501493

Article en stock sous 7 à 10 jours

5018TTC
Entreprise basée en Vendée - France

Entreprise
vendéenne

Moyens de paiement 100% sécurisés

Paiement
100% sécurisé

Infos techniques

Voltage
24
DE mm
61,00
N° trous de fixation
3
N° bornes
3
Marque
Marque compatible
 

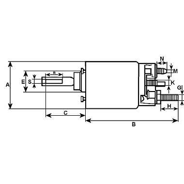
Côtes et dimensions du solénoïde pour démarreur BOSCH 0001360012

Cotes et dimensions du solénoide 132361
Cotes et dimensions du solénoide 132361

Information Physique

B - Longueur totale mm
108.00

Information Plongeur

Q - Longueur mm
82.40

Capot

G - B+
M10
H - Hauteur/B+
24.50
Borne 50/mm
M4/12.00
M - Boulon de la bobine
M10
N - Boulon de la bobine l.
16.50

Information Catalogues

Remarques
Capuchon: Marque compatible 131317.

Compléments d’informations

 

Conformité et qualité garanties !

Pour tout achat de machine et de pièces détachées possédant votre référence d'origine, Mikatec vous propose un échange ou le remboursement de votre commande en cas d'insatisfaction !

Pour cela, complétez le formulaire de retour et renvoyez-le nous avec le produit commandé.

 

Comment remplacer le solénoide de mon démarreur BOSCH 0001360012 ?

L'astuce de pro !

- Prenez des photos avant et pendant toute l'opération de démontage ;

- Connectez une pile de 9V aux connectiques de la batterie, afin de ne pas perdre les paramètres de programmation de votre véhicule.

 

1. Débranchez la borne négative de la batterie, puis la borne positive, afin de travailler en sécurité ;

2. Débranchez les câbles d'alimentation de votre démarreur ;

3. Déposez le démarreur du véhicule, en retirant les vis de fixation ;

Débrancher la borne négative puis la positive de la batterie
Débrancher la borne négative puis la positive de la batterie
Débrancher l'alimentation et connecteur du démarreur
Débrancher l'alimentation et connecteur du démarreur
Retirer le démarreur du bloc moteur
Retirer le démarreur du bloc moteur

4. Ôtez les deux vis de fixation du solénoide ;

5. Ôtez le solénoïde du démarreur, puis remplacez-le par le solénoide neuf ;

6. Procédez au remontage du démarreur (dans le sens inverse).

 

Avis clients

Chez Mikatec les avis sont fiables et font suite à un achat. En savoir plus.

N

NOEL A.

 
avis laissé ledu 18/03/2023
super

Avis soumis à un contrôle

Pour vous garantir leur fiabilité, nos avis sont exclusivement sollicités auprès de clients ayant achetés des produits sur notre boutique. Aucune contrepartie n'a été fournie en échange des avis. Les avis sont publiés et conservés sans limitation de temps. Si un client souhaite modifier son avis, il peut prendre contact avec la Société des Avis Garantis, notre tiers de confiance. Pour plus d'informations, notamment sur les caractéristiques du contrôle des avis et les motifs de suppression des avis, merci de consulter le site de laSociété des Avis Garantis.
Pas de standard téléphonique lundi 22 décembre et mardi 23 décembre pour cause d'inventaire. Vous pouvez nous contacter par mail. En raison des fêtes de fin d’année, les délais d'approvisionnement annoncés sur le site peuvent être impactés. De nombreux fournisseurs et prestataires de livraison sont en vacances ou travaillent en effectifs réduits. Merci de votre compréhension et de votre confiance.