Mikatec

>

RÉPARATION MOTEURS ÉLECTRIQUES

>

Condensateur moteur électrique

>

Condensateur VMC

>

Condensateurs permanent à double capacité 8 µf / 50 µf

Condensateurs permanent à double capacité 8 µf / 50 µf

Référence : CAB8+50

En stock

1945TTC
Entreprise basée en Vendée - France

Entreprise
vendéenne

Moyens de paiement 100% sécurisés

Paiement
100% sécurisé

Infos techniques

Capacité pour VMC (µF)
8 + 50 µF

Remarque

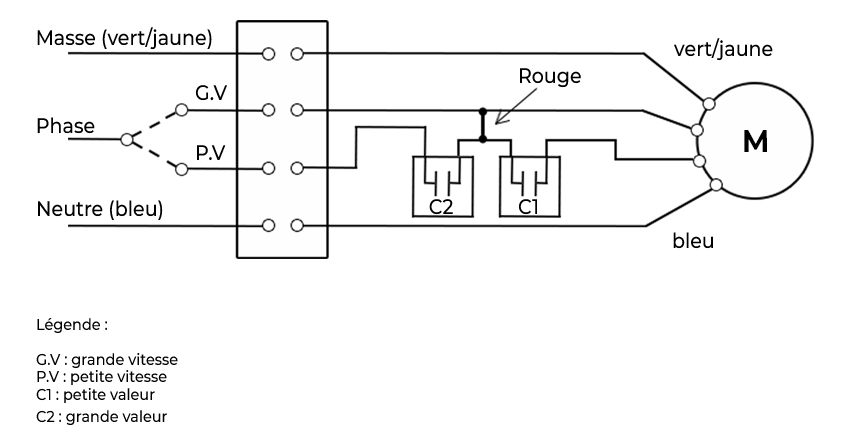
Pour les condensateurs double capacité : nous assemblons deux condensateurs à câble avec les capacités que vous souhaitez. Il y a une sortie pour chaque capacité, ici deux, et une sortie que l’on appelle le commun.

Compléments d’informations

Dimensions du 8µf hors vis et câble
30x58
Tension du 8µf  (V)
jusqu'à 450V
Dimensions du 50µf hors vis et câble
45x93
Tension du 50µf  (V)
jusqu'à 450V
Fréquence (Hz)
50-60
Température d’exploitation (°C)
-25°à +85°
Tolérance de la capacité
± 5%
Norme de référence
EN60252

 

 

Branchement condensateur double capacité pour VMC simple flux

Branchement du condensateur
Branchement du condensateur
Les condensateurs ne sont pas polorisés
Les condensateurs ne sont pas polorisés

Questions / Réponses

Le standard fermera exceptionnellement à 16h00 le 09/12/2025. En raison de la forte activité du mois de décembre et des fêtes de fin d’année, les délais de livraison ainsi que ceux annoncés par nos fournisseurs peuvent être temporairement allongés. Merci de votre compréhension et de votre confiance.