En raison des jours fériés du mois de mai, nos délais de réapprovisionnement et de livraison peuvent être exceptionnellement allongés.

Nos équipes restent mobilisées, mais des retards indépendants de notre volonté peuvent survenir.

Mikatec

>

RÉPARATION MOTEURS ÉLECTRIQUES

>

Condensateur moteur électrique

>

Condensateur VMC

>

Condensateurs permanent à double capacité 3 µf / 7 µf

Condensateurs permanent à double capacité 3 µf / 7 µf

Référence : CAB3+7

En stock

2032TTC
Entreprise basée en Vendée - France

Entreprise
vendéenne

Moyens de paiement 100% sécurisés

Paiement
100% sécurisé

Infos techniques

Capacité pour VMC (µF)
3 + 7 µf

Remarque

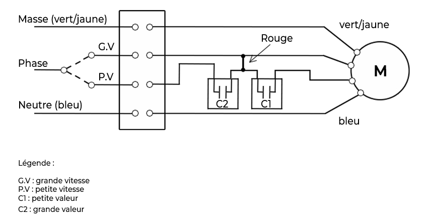
Pour les condensateurs double capacité : nous assemblons deux condensateurs à câble avec les capacités que vous souhaitez. Il y a une sortie pour chaque capacité, ici deux, et une sortie que l’on appelle le commun.

Compléments d’informations

Dimensions du 3µf hors vis et câble
25x48
Tension du 3µf (V)
jusqu'à 450V
Dimensions du 7µf hors vis et câble
25x78
Tension du 7µf (V)
jusqu'à 450V
Fréquence (Hz)
50-60
Température d’exploitation (°C)
-25°à +85°
Tolérance de la capacité
± 5%
Norme de référence
EN60252

 

 

Branchement condensateur double capacité pour VMC simple flux

Branchement du condensateur
Branchement du condensateur
Les condensateurs ne sont pas polorisés
Les condensateurs ne sont pas polorisés

Questions / Réponses