En raison des jours fériés du mois de mai, nos délais de réapprovisionnement et de livraison peuvent être exceptionnellement allongés.
Nos équipes restent mobilisées, mais des retards indépendants de notre volonté peuvent survenir.
En raison des jours fériés du mois de mai, nos délais de réapprovisionnement et de livraison peuvent être exceptionnellement allongés.
Nos équipes restent mobilisées, mais des retards indépendants de notre volonté peuvent survenir.
>
RÉPARATION MOTEURS ÉLECTRIQUES
>
Condensateur moteur électrique
>
>
Condensateurs permanent à double capacité 3.5 µf / 16 µf
Article en stock sous 48H

Entreprisevendéenne

Paiement100% sécurisé
Infos techniques
Remarque
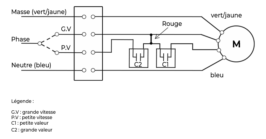
Pour les condensateurs double capacité : nous assemblons deux condensateurs à câble avec les capacités que vous souhaitez. Il y a une sortie pour chaque capacité, ici deux, et une sortie que l’on appelle le commun.
Compléments d’informations
Branchement condensateur double capacité pour VMC simple flux
Questions / Réponses