Mikatec

>

DÉMARREUR ET SES COMPOSANTS

>

Solénoide démarreur

>

Solénoide Bosch pour démarreur BOSCH 2339305068

Solénoide Bosch pour démarreur BOSCH 2339305068

Référence : CAO1986SE1688-923297

Article en stock sous 7 à 10 jours

6454TTC
Entreprise basée en Vendée - France

Entreprise
vendéenne

Moyens de paiement 100% sécurisés

Paiement
100% sécurisé

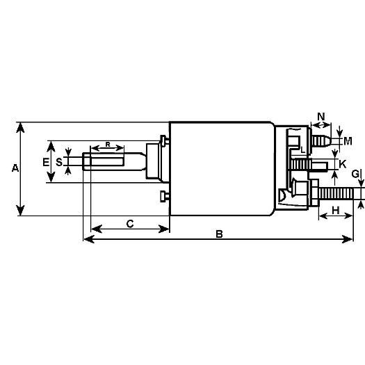
Infos techniques

Voltage
12
DE mm
52,50
N° trous de fixation
3
Marque
Marque compatible

Information Physique

B - Longueur totale mm
88.00
Source
Marque compatible

Information Plongeur

Q - Longueur mm
57.00

Capot

G - B+
M8
H - Hauteur/B+
18.00
Borne 50/mm
4.80

 

Conformité et qualité garanties !

Pour tout achat de machine et de pièces détachées possédant votre référence d'origine, Mikatec vous propose un échange ou le remboursement de votre commande en cas d'insatisfaction !

Pour cela, complétez le formulaire de retour et renvoyez-le nous avec le produit commandé.

 

Comment remplacer le solénoide de mon démarreur BOSCH 2339305068 ?

L'astuce de pro !

- Prenez des photos avant et pendant toute l'opération de démontage ;

- Connectez une pile de 9V aux connectiques de la batterie, afin de ne pas perdre les paramètres de programmation de votre véhicule.

 

1. Débranchez la borne négative de la batterie, puis la borne positive, afin de travailler en sécurité ;

2. Débranchez les câbles d'alimentation de votre démarreur ;

3. Déposez le démarreur du véhicule, en retirant les vis de fixation ;

Débrancher la borne négative puis la positive de la batterie
Débrancher la borne négative puis la positive de la batterie
Débrancher l'alimentation et connecteur du démarreur
Débrancher l'alimentation et connecteur du démarreur
Retirer le démarreur du bloc moteur
Retirer le démarreur du bloc moteur

4. Ôtez les deux vis de fixation du solénoide ;

5. Ôtez le solénoïde du démarreur, puis remplacez-le par le solénoide neuf ;

6. Procédez au remontage du démarreur (dans le sens inverse).

 

Pas de standard téléphonique vendredi 26 décembre. Vous pouvez nous contacter par mail. En raison des fêtes de fin d’année, les délais d'approvisionnement annoncés sur le site peuvent être impactés. De nombreux fournisseurs et prestataires de livraison sont en vacances ou travaillent en effectifs réduits. Merci de votre compréhension et de votre confiance.