Mikatec

>

DÉMARREUR ET SES COMPOSANTS

>

Solénoide démarreur

>

Solénoide compatible pour démarreur ZM ZM1760

Solénoide compatible pour démarreur ZM ZM1760

Référence : CAO136632-457817

Article en stock sous 7 à 10 jours

2125TTC
Entreprise basée en France

Entreprise
française

Moyens de paiement 100% sécurisés

Paiement
100% sécurisé

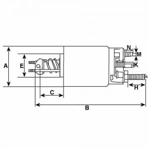
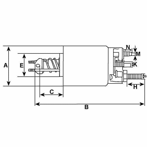
Infos techniques

Voltage
12
DE mm
51,50
N° trous de fixation
2
N° bornes
3
Marque
Marque compatible

Information Physique

B - Longueur totale mm
97.00
Trou de montage 1
15
Trou de montage 2
45

Capot

G - B+
M8
H - Hauteur/B+
15.50
Borne 50/mm
6.30
M - Boulon de la bobine
M8
N - Boulon de la bobine l.
15.50

 

Conformité et qualité garanties !

Pour tout achat de machine et de pièces détachées possédant votre référence d'origine, Mikatec vous propose un échange ou le remboursement de votre commande en cas d'insatisfaction !

Pour cela, complétez le formulaire de retour et renvoyez-le nous avec le produit commandé.

 

Comment remplacer le solénoide de mon démarreur ZM ZM1760 ?

L'astuce de pro !

- Prenez des photos avant et pendant toute l'opération de démontage ;

- Connectez une pile de 9V aux connectiques de la batterie, afin de ne pas perdre les paramètres de programmation de votre véhicule.

 

1. Débranchez la borne négative de la batterie, puis la borne positive, afin de travailler en sécurité ;

2. Débranchez les câbles d'alimentation de votre démarreur ;

3. Déposez le démarreur du véhicule, en retirant les vis de fixation ;

Débrancher la borne négative puis la positive de la batterie
Débrancher la borne négative puis la positive de la batterie
Débrancher l'alimentation et connecteur du démarreur
Débrancher l'alimentation et connecteur du démarreur
Retirer le démarreur du bloc moteur
Retirer le démarreur du bloc moteur

4. Ôtez les deux vis de fixation du solénoide ;

5. Ôtez le solénoïde du démarreur, puis remplacez-le par le solénoide neuf ;

6. Procédez au remontage du démarreur (dans le sens inverse).