>
>
>
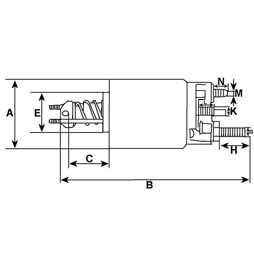
Solénoide compatible pour démarreur BOSCH BLUE F042010376
Article en stock sous 7 à 10 jours

Entreprisevendéenne

Paiement100% sécurisé
Infos techniques
Information Physique
Information Catalogues
Pour tout achat de machine et de pièces détachées possédant votre référence d'origine, Mikatec vous propose un échange ou le remboursement de votre commande en cas d'insatisfaction !
Pour cela, complétez le formulaire de retour et renvoyez-le nous avec le produit commandé.
L'astuce de pro !
- Prenez des photos avant et pendant toute l'opération de démontage ;
- Connectez une pile de 9V aux connectiques de la batterie, afin de ne pas perdre les paramètres de programmation de votre véhicule.
1. Débranchez la borne négative de la batterie, puis la borne positive, afin de travailler en sécurité ;
2. Débranchez les câbles d'alimentation de votre démarreur ;
3. Déposez le démarreur du véhicule, en retirant les vis de fixation ;
4. Ôtez les deux vis de fixation du solénoide ;
5. Ôtez le solénoïde du démarreur, puis remplacez-le par le solénoide neuf ;
6. Procédez au remontage du démarreur (dans le sens inverse).