Mikatec

>

DÉMARREUR ET SES COMPOSANTS

>

Solénoide démarreur

>

Solénoide Mahle Letrika pour démarreur ISKRA AZJ3223

Solénoide Mahle Letrika pour démarreur ISKRA AZJ3223

Référence : CAO139988-594464

Article en stock sous 7 à 10 jours

10004TTC
Entreprise basée en France

Entreprise
française

Moyens de paiement 100% sécurisés

Paiement
100% sécurisé

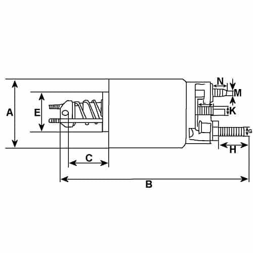
Infos techniques

Voltage
24
DE mm
61,00
N° trous de fixation
3
N° bornes
3
Marque
Marque compatible

Information Physique

B - Longueur totale mm
111.00
Source
Mahle Letrika

Information Plongeur

Q - Longueur mm
83.40

Capot

G - B+
M10
H - Hauteur/B+
18.00
Borne 50/mm
M4/12.00
M - Boulon de la bobine
M10
N - Boulon de la bobine l.
17.00

 

Conformité et qualité garanties !

Pour tout achat de machine et de pièces détachées possédant votre référence d'origine, Mikatec vous propose un échange ou le remboursement de votre commande en cas d'insatisfaction !

Pour cela, complétez le formulaire de retour et renvoyez-le nous avec le produit commandé.

 

Comment remplacer le solénoide de mon démarreur ISKRA AZJ3223 ?

L'astuce de pro !

- Prenez des photos avant et pendant toute l'opération de démontage ;

- Connectez une pile de 9V aux connectiques de la batterie, afin de ne pas perdre les paramètres de programmation de votre véhicule.

 

1. Débranchez la borne négative de la batterie, puis la borne positive, afin de travailler en sécurité ;

2. Débranchez les câbles d'alimentation de votre démarreur ;

3. Déposez le démarreur du véhicule, en retirant les vis de fixation ;

Débrancher la borne négative puis la positive de la batterie
Débrancher la borne négative puis la positive de la batterie
Débrancher l'alimentation et connecteur du démarreur
Débrancher l'alimentation et connecteur du démarreur
Retirer le démarreur du bloc moteur
Retirer le démarreur du bloc moteur

4. Ôtez les deux vis de fixation du solénoide ;

5. Ôtez le solénoïde du démarreur, puis remplacez-le par le solénoide neuf ;

6. Procédez au remontage du démarreur (dans le sens inverse).