En raison des jours fériés du mois de mai, nos délais de réapprovisionnement et de livraison peuvent être exceptionnellement allongés.

Nos équipes restent mobilisées, mais des retards indépendants de notre volonté peuvent survenir.

Mikatec

>

ALTERNATEUR ET SES COMPOSANTS

>

Alternateur

>

Alternateur compatible pour FARCOM 113416

Alternateur compatible pour FARCOM 113416

Référence : KUR553516RI-1011678

Article en stock sous 2/5 jours

21714TTC
Entreprise basée en Vendée - France

Entreprise
vendéenne

Moyens de paiement 100% sécurisés

Paiement
100% sécurisé

Infos techniques

Marque
Marque compatible
Voltage
12
Amp
150
 

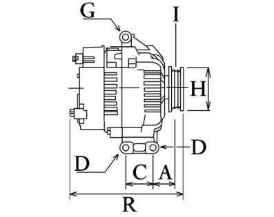
Côtes et dimensions de l'alternateur pour FARCOM 113416

 

Côtes et dimensions de l'alternateur
Côtes et dimensions de l'alternateur
Côtes et dimensions de l'alternateur
Côtes et dimensions de l'alternateur
A - Distance poulie
22.00
B - Largeur des bras
50.00
C - Distance entre support
47.00
D - Diamètre du trou
14.50 x 11.50
E - Angle pâte tendeur
10.00
G - Diamètre trou de la patte
10.30
H - Diamètre poulie
57.20
I - Rainures de la poulie
8.00
J - Radius
84.30
J - Radius 2
86.50
K - B+
M8
K - Position B+ en min.
2.00
N - Rotation
CW
R - Longueur totale (mm)
165.00

Compléments d’informations

Poulie
Poulie serpentine / Poulie débrayable
Ventilateur
If
Type de régulateur
Ir
Info produit
Bn
Garantie (ans)
2

Alternateur compatible pour FARCOM 113416 – Fiabilité et Performance Assurées

L’alternateur compatible pour FARCOM 113416 est conçu pour répondre aux exigences des professionnels et des particuliers en quête d’un composant performant et robuste. Il garantit une alimentation continue en énergie pour le bon fonctionnement de vos équipements électriques, même dans des conditions d’utilisation intense.

Un Alternateur, Plusieurs Avantages :

Efficacité optimale : Conçu pour assurer une charge régulière et efficace de votre batterie.
Compatibilité parfaite : Adapté aux spécifications de votre moteur pour des performances maximales.
Durabilité : Fabriqué à partir de matériaux de qualité pour résister à l’usure et prolonger sa durée de vie.

Notre Garantie, Votre Sérénité – Une Protection Étendue pour Votre Alternateur

Parce que nous savons à quel point la fiabilité de vos équipements est importante, nos alternateurs bénéficient d’une garantie étendue de 2 ans. Cette garantie couvre les éventuels défauts de fabrication et pannes imprévues, pour que vous puissiez utiliser votre alternateur en toute sérénité.

En cas de rupture de stock chez notre fournisseur principal, nous vous garantissons un remplacement par un produit équivalent de haute qualité, issu de nos partenaires de confiance. Veuillez noter que la durée de garantie du produit de remplacement peut légèrement différer, tout en respectant les mêmes standards d’excellence.